Episode 88: Investigating Metals and Materials


When critical equipment fails, from a chain hoist to an aircraft part, operators want to find out what went wrong. Normal wear and tear, before a failure occurs, can also prompt tests to determine remaining service life for a part or system. A materials science and failure analysis engineer can investigate, digging deep to uncover the root cause of a failure or identify a potential malfunction. This expertise prevents loss of equipment or in extreme cases, loss of life.

Listen now as SwRI materials science and failure analysis engineer and metallurgist Dr. Mirella Vargas discusses what is revealed during a thorough analysis, down to the microstructure of metals and materials.

Visit Failure Prevention to learn about SwRI’s investigations to prevent failures and extend component service life.


Transcript

Below is a transcript of the episode, modified for clarity.

Lisa Peña: What happened? When there's a malfunction or failure in anything from electronics to aircraft, a materials and failure analysis expert can get to the root cause and answer that question. Finding and correcting the problem can prevent loss of equipment or, in extreme cases, loss of life. An SwRI engineer explains what metals, materials, and coatings can reveal during critical investigations. That's next on this episode of Technology Today. 

[MUSIC PLAYING]

We live with technology, science, engineering, and the results of innovative research every day. Now, let's understand it better. You're listening to the Technology Today Podcast presented by Southwest Research Institute. From deep sea to deep space, we develop solutions to benefit humankind. Transcript and photos for this episode and all episodes are available at podcast.swri.org. Share the podcast and hit that subscribe button on your favorite podcast platform.

Hello and welcome to Technology Today. I'm Lisa Peña. Today, we're talking to SwRI materials science and failure analysis engineer and metallurgist Dr. Mirella Vargas. When equipment fails, she figures out what happened, what went wrong, going in depth, checking all components down to the materials, metals, and coatings. In many cases, this root cause failure analysis holds the key to preventing a catastrophe. Thank you for joining us, Mirella

Image
Microscope image of softer/ductile microstructure of a heat-treated steel alloy

SwRI examines the properties of materials with powerful microscopy to uncover the root-cause of failure. Under the microscope, materials and metals appear as “fingerprints” or patterns that can change depending on exposure and treatments. This softer/ductile microstructure reveals a heat-treated steel alloy.

Mirella Vargas (MV): It's good to be here, Lisa. Thank you for inviting me on.

LP: So we want to get into your investigations and what you uncover by analyzing metals and materials in just a moment. But let's start with understanding this specialized field of metallurgy. So what is a metallurgist? 

MV: A metallurgist is an engineer that focuses on very specific critical properties and processing of metals and alloys and any metallic system. So this can vary from steels, stainless steels, nickel-based alloys, there's an entire class of very unique, high temperature, high extreme environment materials called the superalloys. And we're focusing on the properties that result from how these materials were processed and how that's going to relate to the environment and application that they're intended to be used in. 

LP: So when you say the properties that result from these metals and how they were processed, what type of properties are you talking about? 

MV: Yeah, I'm talking about just strength. Unique to the field of metallurgy is actually the microstructure. The microstructure is how the grains and basically, down at the atomic level, how those atoms are arranged such that you're going to see a very unique microstructure that is a result of how the materials processed. So different heat treatments produce different microstructures. And I know it's not fair for the listeners, but I did bring my book. I use it all the time. It's called the ASM handbook and it is the atlas of microstructures. And you can see these just beautiful diagrams of how the individual grains are interconnected. 

Plenty of times, we get questions like, hey, we're needing to use this type of hardware. We don't know what it is. And we can do just a microstructural evaluation in addition to the compositional analysis, because it's quick and then determine not only what material they're working with but in what condition because we understand the microstructure. 

LP: So you're solving a mystery. Many times, you don't know what comes into the lab. But by looking at this in-depth evaluation, looking at the microstructure, you're able to pinpoint, this is the metal that we're looking at. This is the metal we're working with. And I just wanted to say that I'm looking at these pictures in this book. And each one looks almost like a fingerprint, very unique to the metal. So when you see this, when you see that microstructure under the microscope, you know, OK, this looks like this, so we must be working with stainless steel. 

MV: Yes, yes, stainless steel, and then we could see, OK, is this hardened? Is this annealed? 

LP: All right, but you go beyond metals. So what other types of materials are you investigating? 

MV: We've looked at composites, both metallic and nonmetallic, so just different multiple materials arranged in a very specific order that's going to provide a very specific strengths in particular orientations for what they're going to be used in. And those actually have very interesting structures. And we've also looked at polymers, ceramics. 

Polymers are very unique because they're almost analogous to the way that I would analyze a metal in the way that they fracture and the way that they break. There's these fingerprints that tell you whether this was a progressive crack, an instantaneous crack, whether the material was brittle or ductile. And there are certain characterization techniques, much like there are characterization techniques suited for metals to help identify the polymer and what condition the polymer was in. 

LP: What types of equipment, machinery, vehicles, are you analyzing? 

MV: It can range. This always gets really exciting for me because it could be a structural part from an aircraft, so the T-38s, A-10s while they were still being used. I really enjoy that part because I came from that industry. But then I also get to do not that long ago, we had a client working with us, their rare Earth moving equipment. And so it's the big excavators. And it was about three of them. And I got to witness the tear down, and I got to photograph, document the condition of the critical parts that rely on clean oil and maintenance for these big machinery to keep going. So it just kind of varies. 

And then we also going to from the rare Earth moving equipment, which is giant, down to the nanoscale, where we're looking at different types of thin films, as I said before, and making sure that they have the particular grain orientation that they're meant to have. So it's really unique going from a very macro down to submicro perspective with these different industries.

LP: OK, yeah, that's a huge range of subjects that you have to study so, as you said, from all the way down to the nano scale to huge aircraft parts. What are you looking for during an investigation? 
 

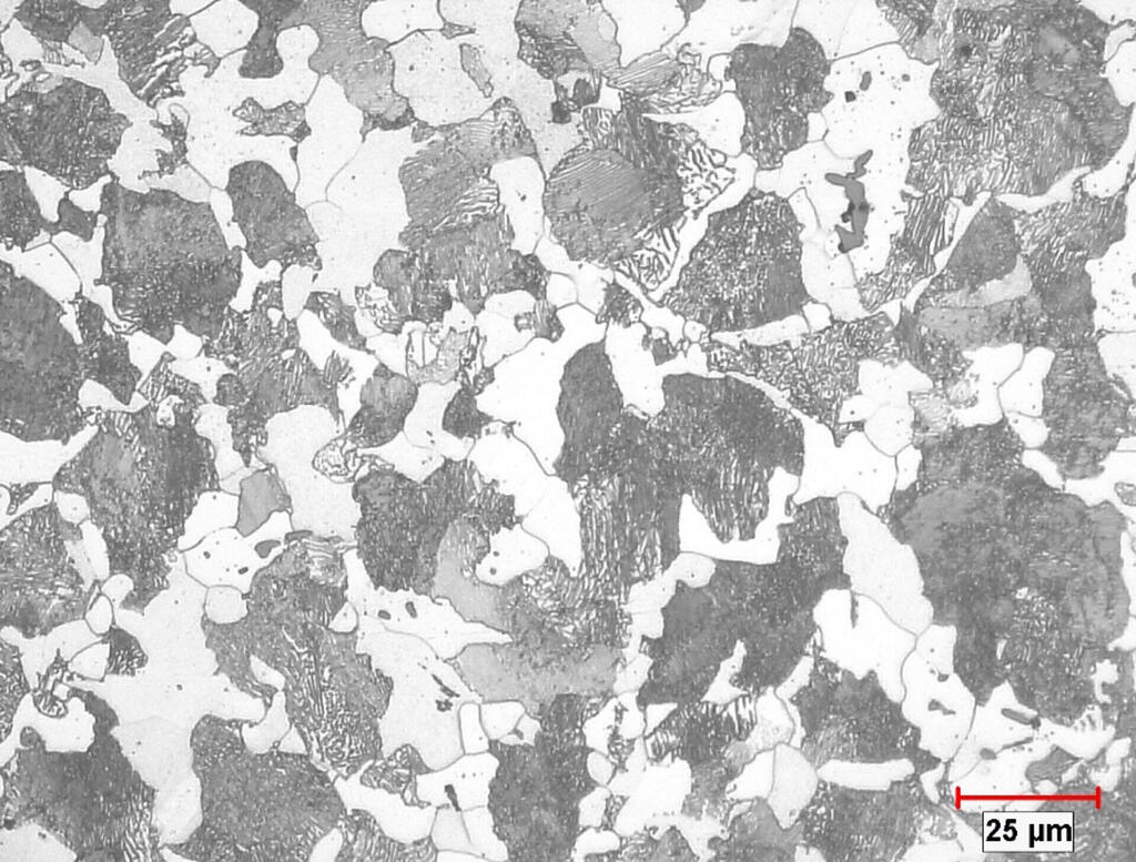
Image
Microscope image of a hard microstructure of steel alloy with more intense heat treatment

This is the same steel alloy pictured above which now appears harder and stronger under the microscope due to a more intense heat treatment.

MV: For the field of failure analysis and I'll give this example because it's very methodical. We start by receiving the part in the lab. And then, once again, the scale of these parts can vary. I've received 15 feet of 2-inch diameter pipe. I've also received just very small hardware components. But whatever we get begins with a photographic documentation. During these photographic documentation, we're out with cameras, taking pictures, and doing a visual examination to understand where the damage is localized to what location on that part. 

And then we start making what we call our cut plans to know how are we going to section this so that we don't disturb any evidence, and then we can actually work this material through our scopes? So it goes from camera to microscopes and then, from there, we start doing what we call our if there's a fracture surface, if there's a break, we start doing the fractographic examination, and that involves optical microscopy. 

With optical microscopy, usually, we can identify, OK, this failure, this crack, this break started at this location. And I can see that the crack propagated in this direction, making note of that, and then tying it back to the macro examination that we did so that I keep orientation intact as I'm beginning to tell the story. 

LP: So when you receive these parts, what happened in order for them to end up in your lab? Is it always a failure or damage that brings these parts to you for investigation? 

MV: Not always. Sometimes, they're set intervals for certain machinery, where they'll do a tear down, and they want to understand remaining life on a component. And that's where we talked about microstructure. That plays a big role because you'll start seeing changes in microstructure, very visible changes in microstructure that are really influenced by the time and service, the temperature at service, and other environmental factors that they may have not known was going on, if, maybe for a little bit, there was something in the process that wasn't supposed to be there. 

LP: So it could be damage, or it could just be normal wear and tear, and your client wanting to where are we with this particular part. So you talked a little bit about the tools that you use. But what else are you using to conduct a thorough investigation? Walk us through that. 

MV: Yeah, from optical microscopy, we go into electron microscopy. And that is probably our workhorse of microscopes. We are using electrons to image a sample surface. By doing so, we're able to go up in magnifications. I mean, just depending on the microstructure, the one that we have in the lab that I'd love to show off can go up to 1 million times magnification. For routine failure analysis, we don't need to go up that high. But we're using electron microscopy to track the growth of that crack, look for fractographic evidence that you cannot see with visual aid, that you cannot see with an optical microscope that are very telling to how that crack progressed or if it was an instantaneous failure. 

LP: So sometimes there's a failure, or there's damage, or something went wrong and you don't really know what it is. But until you get it under these really strong tools that help you figure this out at a very microscopic level, that's when you uncover the problem.

MV: Yes. And to me, that defines what we call the operative cracking mechanism. How was this crack progressing? Was it cyclical? Was it instantaneous? 

And then we need to understand and make sure we document the metallurgical condition of the material that we're looking at. And that's by obtaining the microstructural evaluation. That's when we start looking at specific properties that can tell us how this material was processed. So that includes hardness or tensile testing. There are these very unique rupture tests that are done at high temperature that can tell us remaining life for components that are used at high temperature, extreme environments.

LP: What industries are your clients in? I know you mentioned pipes and of course aircraft, but what are the range of industries that you are serving? 

MV: That's also very unique and really fun and exciting to think about because, sometimes, I'm like, I would have never worked in this field had it not been for this job. So it could be oil and gas, a lot of chemical processing plants, nuclear industry. And then it's been exactly two case studies that I have under my belt that came from the food industry. And so that's pretty unique to me when we get an inquiry from a name brand of food. Hey, we're processing this, but something is going wrong in their ovens and all the intricacies that entails because you cannot have that contamination in a food product. 
 

Image
Microscope image of cuboidal structure of a pristine superalloy

This image shows the cuboidal structure of a pristine superalloy, Inconel 738. A superalloy can withstand high temperatures and high stress. The cuboidal structure is critical for maintaining strength.

LP: Yeah, that could be dangerous. So you're preventing danger on many levels. I know you've also worked with the space industry. 

MV: Yes.

LP: So that's neat too. 

MV: Yeah, that's exciting. What I can recall very specifically is looking at these welds between two dissimilar materials, and that was stainless steel and titanium. It's not very common. And you have to follow just a standard process. Or you have to know what you're doing so that you can get a sound joint. 

And we were looking at this because these materials were going to be used in the fabrication of one of the characterization instruments that goes up in the science payload to analyze the surrounding environment. They couldn't have nonmetallic materials so that the system wouldn't pick that up. They had to have welded material together. They can use adhesives. So that was unique to look at the joining of those two materials and understand why they were doing that. 

LP: And what was going wrong with their process.

MV: For that part, it was to make sure that they had a sound joint, that there wasn't these undesirable faces at the interface of the stainless steel with the titanium so that you wouldn't have an area to create localized stress for potential failure point. 

LP: So it was to test out their process before there was a problem. 

MV: Yeah.

LP: OK, so why is it important to dig deep and find the root cause of a failure? You're talking about looking under the microscope, really getting in there and uncovering the issue. So why is this so important? 

MV: I think that information that we obtain is so valuable for our clients to understand the material selection process for future design to prevent recurrence. Really, it's so that they don't see that failure again is our overall goal when we're doing this. And it's a lot of back and forth between us and our clients to make sure that we understand what they know of their operating environment, so that I can tie that back to these materials and really complete the story of, was this material suitable in the first place? 

LP: So once your investigation is complete, what is your process for making recommendations to prevent future problems? 

MV: I have a very good example that I love to share. In this project, we had the OEM, the end user, and some insurance companies involved because it was a pretty serious failure, and I actually got to work this with the folks in the machinery department, also, in division 18. And they were using a stainless steel, and the stainless steel was welded. There's this operating temperature range for a stainless steel and, more specifically, a welded stainless steel that you do not want to put these materials in. And it's a very specific class of stainless steels, some of the austenitics. And in their drawing for the part, they had operating environment, it was 1200 degrees Fahrenheit. 

The temperature range that caution should be employed when you have a welded stainless steel or a certain type of stainless steel not suitable for these temperatures, that temperature environment is between 800 to 1500 degrees Fahrenheit. And the fact that they were operating for so long in this critical range led to this detrimental, catastrophic failure. And it was really exciting and challenging to make that known to everybody that was a part of this investigation. These materials are not suited for this environment. You have this specifically stated on the drawing to operate in this temperature range. And then, to me, it's like, you didn't do a thorough material selection process to begin with because if you had, you would have used something suitable for that temperature range. 
 

Image
Microscope image of the microstructure of a superalloy after exceeding service life

This is how the microstructure of superalloy Inconel 738 appears after exceeding service life. The cuboidal structure has transitioned to irregular globules indicative of overall strength loss.

LP: And what industry was this? 

MV: This was oil and gas. 

LP: Oil and gas, OK. So then you're able to point out, OK, we found the problem. I'm sure that moment, as you mentioned, is exciting to be able to say, this is why this happened and this is how to prevent it in the future. 

MV: Yeah, and give the recommendation. It comes down like, for that case, it was, use these types of what we call the stabilized stainless steel, where this failure mode is not going to happen. 

LP: So I feel these examples really bring to life what you do. This is the problem, this is who we worked with, and this is what we uncovered, and here's the solution. So let's talk about a couple more of your most memorable investigations. What investigations really stood out for you? 

MV: It's those where I cannot wait to keep the clients informed of what we're finding and to tell them, hey, this is the materials issue, and this is how you prevent it. So that was one, these stainless steels that shouldn't be used in that temperature range. 

There's another one, and I think I talk about it all the time. This was a chain hoist. And the chain hoist was lifting a gearbox, a 10,000 pounds gearbox. And they were using two chain hoists, and one chain hoist failed. And they did the teardown, and it came down to critical brake components. I did the analysis on that, and I didn't find my bullseye, this is the damage mode. I could see that there was some sheared threads in this critical what they called the brake hub. 

They had to replicate the failure. And again, this is one that I worked with the folks in machinery because they led the replication of the failure, which was also pretty cool, with the intact chain hoist. And they ran that to failure. And then I looked at those brake components and compared it with the one that had actually failed. And the replicated test had what we call a hardened steel structure. The one from the failure event had a more ductile a microstructure that would lead to more ductile, softer properties. And it was they had not heat treated that component the way that they should have to withstand the lifting of that chain of the gearbox. 

LP: So what was your recommendation from that investigation? 

MV: That one was to make sure they understand the microstructure, to make sure they understand the properties that I was obtaining for them to know that this, to me, is a critical event. So in your material information that prescribes what you should use for what part, that should be highlighted to be of a critical nature and be like, heat treat this to this hardness, and then that's going to give us the ideal microstructure. 

LP: So on the surface that was not obvious. But once you really got in there and started looking, as you said, at the microstructure, you were able to figure out what the issue was. Are there any other big investigations that stand out for you? 

MV: So I do a lot with oil and gas and chemical processing plants, and that involves looking at this usually, if I'm working with clients that that's the application that they work on, the materials that they're using are very unique. It's a class of alloys that they're called the superalloys. And again, they're intended for high temperature, longer operating times, but I have seen very unique failures. There's a failure mode called creep, and that's just time at temperature causing deformation in the microstructure such that you're going to ultimately actually see deformation in your part. And it leads to very unique ruptures. 

And this client had asked for these catalyst tubes to they went through a failure, and when I did the analysis, it ended up being that it was creep. Usually, when it's creep, you want to make sure that you understand lifetime and hours because there's a way to get that information. And I sent out some material for these creep rupture tests, and they couldn't even the machine shop I was working with couldn't even machine the samples because there was so many creep cavities that ultimately to these unique ruptures. So they were machining these samples. They're the typical dog-bone tensile shape. And they were breaking as they were machining. So I couldn't even do those tests because they had exceeded the creep life. 

LP: And that's a new term, I think, for many of us. 

MV: Yeah, yeah, yeah, it's so fun. There's so many play on words with creep. 
 

Image
Microscope image of a fraction of corrosion-assisted cracking in stainless-steel

A microscopy examination reveals corrosion-assisted cracking in a stainless-steel microstructure with a weld.

LP: All right, so what has been the most unique material or metal you've worked with? And do you have a favorite material or metal to work with? 

MV: Usually, the more unique ones are the superalloys because they're processed in a way that they have the parent material, which is usually either nickel, cobalt, or iron. And then they have these significant amounts of alloying elements that's not common in a regular steel that has primarily steel. And then these small amounts of alloying elements, the superalloys, create very, very unique microstructures. And again, I do want to show you one. 

LP: Sure. 

MV: OK, let's look. I'll describe it. I know that they cannot see it, but the microstructure is so unique. It forms this cuboidal shape. And as it is.

LP: So we can put this picture on the website so a good look at it. But so most of the microstructures that we're seeing are squiggly. This one looks like blocks. 

MV: Yes, it has that cuboidal structure. And that's what gives these superalloys very unique properties to be able to withstand high temperatures. But as it is used they have set lifetimes you lose that cuboidal shape and you start getting more oblong, more rounded features. So this is kind of pristine and this is time and service. 

LP: So the block structure is ideal. But when it looks more like bubbles running into each other, then you know that the life is up for that. 

MV: And there's a very methodical process that we do when we're actually trying to answer that question. 

LP: So the superalloys have been the most unique materials you work with. 

MV: They are, but I really enjoy working with stainless steels. Stainless steels are meant to withstand corrosive environments. This is pretty much the essence of a stainless steel. And there's different classes of stainless steels. They all have very different microstructures. And when you see a corrosion-related failure, it's kind of unique in the way that you see that in the microstructure. 

And once again, I just want to show you another picture. And this is a stress corrosion crack. And it has almost like a lightning strike feature. And that's what I look for when I'm doing a failure analysis on a stainless steel that's been subject to a corrosive environment if it's stress corrosion cracking. 

LP: So it looks like a map. I thought that's what it was, a picture and maybe with the river going through it, some tributaries. But that's basically how I would describe it. So that's stainless steel with damage. 

MV: Yes

LP: So stainless steel is your favorite, then. Kind of a weird question, but when you're a metallurgist, that's a completely relevant question. 
 

Image
Photo of Mirella Vargas at work station

SwRI materials science and failure analysis engineer and metallurgist Dr. Mirella Vargas uses SwRI’s powerful scanning electron microscope to magnify metals and materials over 1,000,000 times to pinpoint the cause of failures and malfunctions.

MV: Yeah, it is. 

LP: "What is your favorite metal?" You recently gave a talk here at SwRI about how music and specific song lyrics resonate with you and motivate you in your work. It was part of our Tom Talk series, which is the SwRI TED Talk. So it was really interesting, really fun discussion that really brought together music and engineering, and I didn't realize it until your talk, but there are actually so many songs that mention metals. But do you have an all-time favorite song that gets you in the zone to work and investigate? 

MV: It kind of depends because I listen to all kinds of music. Sometimes, I need something very upbeat to move quickly. Sometimes, I want just something slower. I've been listening to George Strait lately, and his song, "I've Come to Expect it From You," it doesn't mention metals, but the fact that I've been doing some work with some aluminum samples that tend to oxidize fairly quickly, they'll form this thin layer of oxide that sometimes prevents what I'm trying to look at. So it's like, I've come to expect it from you, aluminum. And I'm figuring out ways to do this thorough cleaning process to be able to analyze what I'm trying to see. 

LP: All right, so that's really relevant to you right now. And I just love that process because music is also special to me, and I have all sorts of playlists and favorite songs. 

MV: Yeah.

LP: It is fun when you can incorporate that into your work. So February 22 through the 28th marks National Engineers Week. It's a celebration of engineering's impact on the world and a movement to inspire the next generation of innovators. So what was your path to becoming an engineer? And how did you learn about metallurgy as a possible career choice? 

MV: I went to the University of Texas at El Paso. And when I was in high school, my physics teacher, Mr. King, would invite his previous students and alumni from our high school that had gone on to get degrees in metallurgy at UTEP, and they would come and do the demos of some unique material science principles. I put a lacrosse ball in liquid nitrogen, and when you try to bounce it, it breaks. It was kind of cool understanding that gave the foundation for how you can process a material and then change the properties. So I knew of that field in high school. 

And I had my physics teacher and my math teacher continuously encouraging me to choose a career in engineering. And when I went to UTEP, the metallurgy program was small. There was a lot of interaction with the professors. A lot of the times, there wasn't like the TA for the class. It was the professor themselves, and you kind of got to see and be inspired by the work that they had done. And that's how I got into this field. 

LP: So those presentations and those career days really do help and really do work. Sounds like it really had an impact on your life and probably why you continue to do those things today. 

MV: Yes, I do. It's so rewarding to me when I go out and talk about this type of work, and then I start getting messages from students that they're interested in this field, how can they get started. It's incredibly rewarding that they're paying attention. 

LP: And really taking it in and it could possibly impact their life choices and career choices. So who are your engineering role models? 

MV: My engineering role models. We go back to UTEP, this is a professor that was there for so long that even some of my former professors were students of his. His name is Dr. Stafford. He had an engineering failure analysis firm. We all wanted to be Dr. Stafford. We all wanted to be consultants. And he was just so great at inspiring so many of us students. So it was really like my professors at UTEP because, then, you actually get to see what all they're working on. He would bring us his case studies and then let us redo the failure analysis. 
 

Image
Mirella Vargas presenting at podium at Tom Talks

Vargas presented on metallurgy as a featured speaker at SwRI.

LP: How neat. So you really had a hands-on experience. 

MV: Yeah. And I'm so appreciative of mentors that I've had from when I first went out to work at NAVAIR there and then even here. 

LP: So what is your advice for aspiring engineers or metallurgists? 

MV: I would say to there's more to this, like stay active but be in student professional organizations because they're so valuable. I brought up the ASM handbook. The ASM International Society is the governing society for all of these different types of professional societies and part of the Failure Analysis Society. They have one for microstructures. And I think it provides so much for students. Especially, I think back as me as a student and really not having anybody that I knew that was an actual working engineer to tell me, oh, and this is what you do and these other types of things that you can expect once you're out working. I found that out through these professional societies that were active on our campus. 

LP: OK, great advice. Stay involved. What type of impact do you hope to have through engineering? 

MV: I hope to continue to help solving problems. I hope that I can make a difference with my failure analysis, that I help people who don't have the materials background understand a little bit of material selection, understand why it's important, understand the difference between knowing exactly what you're going to be using or not and how that's going to impact these different industries. It's very meaningful to me to know that something's being made better. 

LP: All right, so you are a great example of an SwRI problem solver. It's valuable work you and your team are doing, so thank you, Mirella, for telling us about this unique and important expertise you have of analyzing metals and materials. 

MV: Thank you, Lisa. It's been really fun.

And thank you to our listeners for learning along with us today. You can hear all of our Technology Today episodes, and see photos, and complete transcripts at podcast.swri.org. Remember to share our podcast and subscribe on your favorite podcast platform.

Want to see what else we're up to? Connect with Southwest Research Institute on Facebook, Instagram, X, LinkedIn, and YouTube. Check out the Technology Today Magazine at technologytoday.swri.org. And now is a great time to become an SwRI problem solver. Visit our career page at SwRI.jobs.

Ian McKinney and Bryan Ortiz are the podcast audio engineers and editors. I am producer and host, Lisa Peña.

Thanks for listening.

[MUSIC PLAYING]

Failure investigations help clients prevent failures, extend component service life and establish inspection intervals. SwRI conducts analyses to determine the causes of failure, identify design and operating deficiencies, improve reliability and safety, lower operating costs and provide impartial evaluations.

How to Listen

Listen on Apple Podcasts, or via the SoundCloud media player above.